Powierzchnia użytkowa budynku to kluczowy parametr mający wpływ na wiele aspektów związanych z nieruchomością, od podatków po ubezpieczenie. Ten artykuł jest praktycznym przewodnikiem, który pomoże Ci zrozumieć, gdzie szukać oficjalnych danych na jej temat, jak je interpretować oraz dlaczego precyzyjne ustalenie metrażu jest tak ważne dla każdego właściciela lub kupującego.
Powierzchnia użytkowa budynku gdzie szukać oficjalnych danych i dlaczego to istotne?
- Główne źródła informacji o powierzchni użytkowej to Księga Wieczysta, akt notarialny i projekt budowlany.
- Sposób obliczania powierzchni użytkowej reguluje najczęściej norma PN-ISO 9836:2022-12.
- Powierzchnia pod skosami na poddaszu jest liczona proporcjonalnie do wysokości, zgodnie z konkretnymi progami.
- Jest to podstawowy parametr do naliczania podatku od nieruchomości oraz składki ubezpieczeniowej.
- Księgę Wieczystą można bezpłatnie sprawdzić online w systemie Elektronicznych Ksiąg Wieczystych.
Znaczenie precyzyjnego ustalenia powierzchni użytkowej
To nie tylko metraż: jak powierzchnia wpływa na podatki, ubezpieczenie i wartość nieruchomości
Precyzyjne określenie powierzchni użytkowej budynku jest absolutnie kluczowe, a ja, jako ekspertka, zawsze podkreślam jej wielowymiarowy wpływ na nieruchomość. Po pierwsze, stanowi ona podstawę do naliczania podatku od nieruchomości. Błędny metraż może skutkować niedopłatami i konsekwencjami prawnymi lub, co równie niekorzystne, przepłacaniem przez lata. Po drugie, ma bezpośrednie przełożenie na wysokość składki ubezpieczeniowej. Zbyt niska deklarowana powierzchnia może prowadzić do niedoubezpieczenia, co oznacza, że w razie szkody otrzymasz niższe odszkodowanie, niż faktycznie potrzebujesz na pokrycie strat. Z kolei zawyżona powierzchnia to po prostu niepotrzebne koszty. Po trzecie, powierzchnia użytkowa to jeden z głównych czynników wpływających na wartość rynkową nieruchomości. Potencjalni kupujący zwracają na nią ogromną uwagę, a wszelkie rozbieżności między stanem faktycznym a dokumentacją mogą znacząco obniżyć atrakcyjność oferty i utrudnić sprzedaż.
Zrozumienie różnic: powierzchnia użytkowa, całkowita i zabudowy w pigułce
Aby w pełni zrozumieć, czym jest powierzchnia użytkowa, warto znać jej kontekst i odróżnić ją od innych, często mylonych pojęć. Oto krótkie definicje:
- Powierzchnia użytkowa: To suma powierzchni wszystkich pomieszczeń służących do zaspokajania potrzeb mieszkalnych lub użytkowych, mierzona po wewnętrznym obrysie ścian w stanie wykończonym. Jest to metraż, który faktycznie użytkujemy.
- Powierzchnia całkowita: Obejmuje sumę powierzchni wszystkich kondygnacji budynku (nadziemnych i podziemnych), mierzoną po zewnętrznym obrysie ścian. Wlicza się tu również balkony, tarasy, loggie oraz powierzchnie zajmowane przez ściany konstrukcyjne.
- Powierzchnia zabudowy: Jest to powierzchnia wyznaczona przez rzut pionowy zewnętrznych krawędzi budynku na powierzchnię terenu. Mówiąc prościej, to obszar gruntu zajmowany przez budynek.

Oficjalne źródła danych o powierzchni użytkowej
Księga Wieczysta: Twoje pierwsze i najważniejsze źródło informacji
Księga Wieczysta (KW) to moim zdaniem najważniejsze i najbardziej wiarygodne źródło informacji o nieruchomości, w tym o jej powierzchni użytkowej. Dane na ten temat znajdziesz w dziale I-O "Oznaczenie nieruchomości". To właśnie tam, obok innych kluczowych parametrów, powinna być wpisana powierzchnia użytkowa. Co istotne, Księgi Wieczyste są publiczne i każdy może sprawdzić ich treść. Wystarczy znać numer KW, aby bezpłatnie uzyskać dostęp do niej online za pośrednictwem systemu Elektronicznych Ksiąg Wieczystych (EKW), prowadzonego przez Ministerstwo Sprawiedliwości. To pierwszy krok, który zawsze polecam moim klientom.
Akt notarialny: co dokładnie deweloper lub poprzedni właściciel zadeklarował?
Kolejnym niezwykle ważnym dokumentem jest akt notarialny kupna-sprzedaży. W przypadku nowych nieruchomości warto również zajrzeć do prospektu informacyjnego oraz umowy deweloperskiej. Te dokumenty zawierają deklarowaną powierzchnię użytkową, która została uzgodniona i potwierdzona prawnie w momencie transakcji. Akt notarialny ma ogromną wagę prawną, ponieważ jest sporządzany przez notariusza i stanowi dowód na to, co zostało ustalone między stronami. Zawsze radzę dokładnie sprawdzić te zapisy i porównać je z innymi źródłami.
Projekt budowlany: jak dotrzeć do pierwotnych założeń architekta?
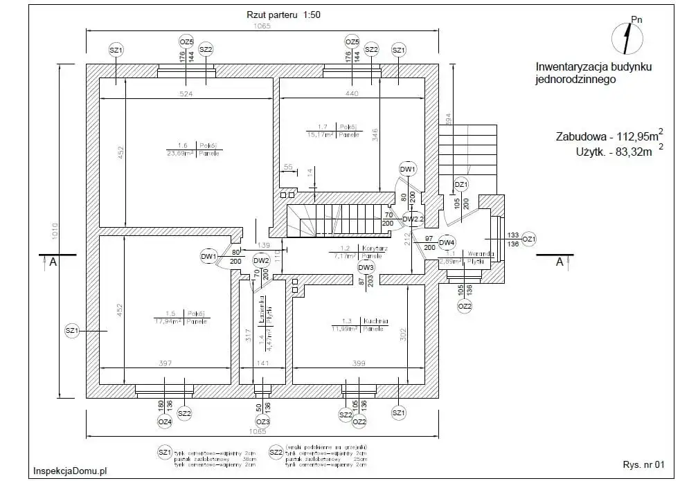
Projekt budowlany to źródło pierwotnych danych o powierzchni użytkowej, zgodnie z założeniami architekta. Obejmuje on szczegółowe rzuty kondygnacji z wymiarowaniem, które pozwalają na precyzyjne odtworzenie sposobu obliczenia metrażu. Gdzie go szukać? Najczęściej projekt budowlany jest przechowywany w archiwum urzędu, który wydał pozwolenie na budowę. Można go również znaleźć u dewelopera (w przypadku nowych nieruchomości) lub, co jest częste w przypadku starszych budynków, u poprzedniego właściciela, który powinien był go przekazać wraz z resztą dokumentacji.
Ewidencja Gruntów i Budynków: jak uzyskać wypis z kartoteki budynków w urzędzie?
Ewidencja Gruntów i Budynków (EGiB) to publiczny rejestr prowadzony przez starostwa powiatowe, zawierający kompleksowe informacje o gruntach, budynkach i lokalach. Wypis z kartoteki budynków, który można uzyskać z EGiB, jest kolejnym oficjalnym źródłem danych o powierzchni użytkowej. Aby go otrzymać, należy złożyć wniosek w wydziale geodezji i kartografii właściwego starostwa powiatowego lub w urzędzie gminy/miasta (jeśli gmina przejęła te kompetencje). Jest to dokument urzędowy, który może być pomocny w weryfikacji danych, szczególnie gdy inne źródła są niejasne lub sprzeczne.
Zaświadczenie ze spółdzielni lub od zarządcy nieruchomości: kiedy to źródło jest wiarygodne?
Zaświadczenia o powierzchni użytkowej wydawane przez spółdzielnie mieszkaniowe lub zarządców nieruchomości mogą być pomocne, zwłaszcza w codziennych sprawach administracyjnych, np. przy rozliczaniu opłat. Jednakże, z mojego doświadczenia wynika, że nie zawsze są one traktowane jako prawnie wiążące źródło w tak samo wysokim stopniu jak Księga Wieczysta czy akt notarialny. Ich wiarygodność zależy od tego, na jakiej podstawie zostały sporządzone. Jeśli opierają się na aktualnej inwentaryzacji lub projekcie budowlanym, mogą być bardzo precyzyjne. Jeśli jednak są to dane historyczne, mogą zawierać błędy. Zawsze zalecam, aby w przypadku ważnych transakcji lub sporów, poszukać bardziej oficjalnych i prawnie ugruntowanych źródeł.

Jak interpretować dane i rozumieć normy obliczeniowe
Tajemnice normy PN-ISO 9836: 2022: co jest wliczane, a co pomijane?
Zrozumienie normy PN-ISO 9836:2022-12 jest kluczowe, aby poprawnie interpretować dane o powierzchni użytkowej. To właśnie ta norma najczęściej reguluje sposób jej obliczania w Polsce, choć warto pamiętać, że w starszym budownictwie mogły być stosowane inne standardy. Zgodnie z PN-ISO 9836, powierzchnię użytkową mierzy się po wewnętrznym obrysie ścian na wszystkich kondygnacjach w stanie wykończonym, czyli już z tynkami. To bardzo ważna uwaga, ponieważ pomiar "na surowo" dałby inny wynik.
Do powierzchni użytkowej wlicza się:
- Powierzchnie wszystkich pomieszczeń mieszkalnych i użytkowych (pokoje, kuchnie, łazienki, przedpokoje, spiżarnie, garderoby itp.).
- Powierzchnie zabudowane trwale, np. szafy wnękowe.
Natomiast pomija się (nie wlicza się) do powierzchni użytkowej:
- Powierzchnie ścianek działowych.
- Powierzchnie zajmowane przez szyby windowe, kominy, kanały wentylacyjne i inne elementy konstrukcyjne.
- Powierzchnie balkonów, tarasów i loggii (są to powierzchnie pomocnicze, ale nie użytkowe w rozumieniu tej normy).
Poddasze i skosy: jak poprawnie liczyć metraż w problematycznych miejscach?
Poddasza ze skosami to jedno z najbardziej problematycznych miejsc, jeśli chodzi o pomiar powierzchni użytkowej. Norma PN-ISO 9836:2022-12 precyzyjnie określa, jak należy postępować w takich przypadkach, co zawsze podkreślam moim klientom. Oto zasady:
- Jeśli wysokość pomieszczenia pod skosem przekracza 2,20 m, powierzchnia jest wliczana w 100%.
- Jeśli wysokość mieści się w przedziale od 1,40 m do 2,20 m, powierzchnia jest wliczana w 50%.
- Jeśli wysokość jest mniejsza niż 1,40 m, powierzchnia nie jest wliczana wcale do powierzchni użytkowej.
Te progi są niezwykle ważne i ich błędne zastosowanie może prowadzić do znaczących rozbieżności w ostatecznym metrażu.
Piwnica, garaż, strych: które z tych pomieszczeń zaliczają się do powierzchni użytkowej?
Kwestia wliczania piwnicy, garażu czy strychu do powierzchni użytkowej jest często źródłem nieporozumień. Zgodnie z normą PN-ISO 9836:2022-12, zazwyczaj piwnice, garaże i strychy nie są wliczane do powierzchni użytkowej w ścisłym tego słowa znaczeniu, ponieważ są to pomieszczenia pomocnicze lub techniczne, a nie mieszkalne czy stricte użytkowe. Jednakże, muszę zaznaczyć, że definicje mogą się różnić w zależności od celu. Na przykład, na potrzeby podatkowe, piwnice mogą być wliczane do podstawy opodatkowania, co jest istotną różnicą w stosunku do normy budowlanej. Zawsze warto sprawdzić, jaka definicja obowiązuje w konkretnym przypadku, np. w ustawie o podatkach i opłatach lokalnych.
Starsze budownictwo a starsze normy: dlaczego metraż "na papierze" może różnić się od rzeczywistego?
W przypadku starszego budownictwa bardzo często spotykam się z sytuacją, gdzie metraż "na papierze" znacząco różni się od tego, który wynikałby z pomiaru według aktualnych norm. Wynika to z faktu, że w przeszłości obowiązywały inne standardy obliczeniowe, na przykład PN-70/B-02365. Starsze normy mogły inaczej traktować powierzchnie pod skosami, grubość tynków, czy wliczanie niektórych elementów do metrażu. To jest bardzo częste źródło rozbieżności między danymi w dokumentach (np. w starym akcie notarialnym) a stanem faktycznym zmierzonym według współczesnych standardów. Zawsze radzę to weryfikować, zwłaszcza przy zakupie starszej nieruchomości.
Co robić, gdy brakuje dokumentów lub dane są niespójne
Krok po kroku: jak zlecić profesjonalny pomiar (inwentaryzację architektoniczną)?
Gdy brakuje dokumentów lub dane o powierzchni użytkowej są niespójne, najlepszym rozwiązaniem jest zlecenie profesjonalnego pomiaru, czyli inwentaryzacji architektonicznej. Oto jak to zrobić krok po kroku:
- Znajdź uprawnionego specjalistę: Poszukaj architekta, technika budowlanego lub uprawnionego geodety, który specjalizuje się w inwentaryzacjach. Ważne, aby osoba ta miała odpowiednie kwalifikacje i doświadczenie.
- Ustal zakres prac: Omów z wykonawcą, co dokładnie ma być zmierzone i według jakiej normy (np. PN-ISO 9836:2022-12). Poinformuj o celu pomiaru (np. do celów podatkowych, sprzedaży, ubezpieczenia).
- Przygotuj nieruchomość: Upewnij się, że pomieszczenia są dostępne i wolne od przeszkód, które mogłyby utrudnić pomiar.
- Odbierz dokumentację: Po wykonaniu pomiaru otrzymasz szczegółową dokumentację, która zazwyczaj zawiera rzuty poszczególnych kondygnacji z wymiarowaniem, tabelaryczne zestawienie powierzchni (użytkowej, całkowitej, zabudowy) oraz protokół pomiaru. Taki dokument jest oficjalny i może służyć jako podstawa do aktualizacji danych w urzędach.
Samodzielny pomiar: jakich błędów unikać, by uzyskać wiarygodny wynik?
Samodzielny pomiar powierzchni użytkowej jest możliwy, ale wymaga precyzji i świadomości potencjalnych błędów. Oto moje praktyczne wskazówki, jakich pułapek unikać:
- Mierz po tynkach: Zawsze mierz odległości po wewnętrznym obrysie ścian, uwzględniając już wykończone tynki. Pomiar "na surowo" da zawyżony wynik.
- Uwzględnij grubość ścian działowych: Pamiętaj, że powierzchnia użytkowa nie obejmuje powierzchni ścianek działowych. Mierz przestrzeń między nimi.
- Prawidłowo licz skosy: Bezwzględnie stosuj zasady dotyczące powierzchni pod skosami, o których mówiłam wcześniej (progi 2,20 m i 1,40 m). To najczęstsze źródło błędów.
- Używaj precyzyjnych narzędzi: Zainwestuj w dobrą miarę laserową. Tradycyjna miarka jest mniej dokładna na większych odległościach.
- Dokumentuj pomiary: Rysuj prowizoryczne rzuty i zapisuj wszystkie wymiary, aby móc je później zweryfikować i obliczyć powierzchnie poszczególnych pomieszczeń.
Rozbieżności w dokumentach: który zapis jest nadrzędny i dlaczego?
W przypadku rozbieżności w danych dotyczących powierzchni użytkowej w różnych dokumentach, musimy ustalić, który zapis ma nadrzędną moc prawną. Z mojego doświadczenia wynika, że największą wagę prawną mają dokumenty urzędowe i notarialne. Przede wszystkim jest to Księga Wieczysta, która cieszy się publiczną wiarygodnością oznacza to, że domniemywa się, iż dane w niej zawarte są zgodne z rzeczywistym stanem prawnym. Następnie, akt notarialny kupna-sprzedaży, który jest dokumentem formalnym, sporządzonym przez osobę zaufania publicznego. Wszelkie inne źródła, takie jak zaświadczenia spółdzielni czy nawet projekt budowlany (jeśli nie został zaktualizowany po zmianach), mogą być traktowane jako pomocnicze. Jeśli rozbieżności są znaczące i dotyczą kluczowych aspektów, zawsze rekomenduję zlecenie profesjonalnej inwentaryzacji, która stworzy aktualny i wiarygodny dokument.
Praktyczne zastosowanie wiedzy o powierzchni użytkowej
Podatek od nieruchomości: jak zweryfikować, czy płacisz właściwą kwotę?
Powierzchnia użytkowa jest fundamentalną podstawą do naliczania podatku od nieruchomości, co jest niezwykle istotne dla każdego właściciela. Warto jednak wiedzieć, że definicja na potrzeby podatkowe, zawarta w ustawie o podatkach i opłatach lokalnych, może nieznacznie różnić się od tej z normy PN-ISO. Na przykład, ustawa ta często wlicza piwnice do podstawy opodatkowania, co jest kluczową różnicą. Na rok 2026 przewidywane maksymalne stawki podatku od budynków mieszkalnych wynoszą 1,25 zł za 1 m². Aby zweryfikować poprawność naliczonego podatku, polecam porównać dane z decyzji podatkowej z powierzchnią użytkową z Księgi Wieczystej lub aktu notarialnego. Jeśli masz wątpliwości, możesz złożyć wniosek o wgląd do akt w urzędzie gminy/miasta lub zlecić profesjonalny pomiar, aby mieć pewność, że płacisz właściwą kwotę.
Ubezpieczenie domu i mieszkania: dlaczego precyzyjny metraż chroni Cię przed stratami?
Precyzyjne podanie powierzchni użytkowej ma bezpośredni wpływ na wysokość składki ubezpieczeniowej domu lub mieszkania, a co ważniejsze na zakres ochrony. Z mojego doświadczenia wynika, że błędne zadeklarowanie metrażu może prowadzić do dwóch niekorzystnych sytuacji. Po pierwsze, do niedoubezpieczenia jeśli zaniżysz powierzchnię, składka będzie niższa, ale w przypadku szkody odszkodowanie może być niewystarczające do pokrycia faktycznych kosztów odbudowy lub remontu. Po drugie, do przepłacania składki jeśli zawyżysz metraż, będziesz płacić więcej, niż powinieneś, bez realnego zwiększenia ochrony. Dlatego zawsze radzę dokładnie weryfikować powierzchnię użytkową przed podpisaniem polisy, aby mieć pewność, że ubezpieczenie jest adekwatne do rzeczywistej wartości nieruchomości.
Przeczytaj również: Skuteczne odwodnienie budynku: Poradnik, koszty i przepisy
Negocjacje cenowe przy zakupie: jak wykorzystać wiedzę o metrażu na swoją korzyść?
Wiedza o powierzchni użytkowej to potężne narzędzie w negocjacjach cenowych przy zakupie nieruchomości. Zawsze doradzam moim klientom, aby nie ufali ślepo danym z ogłoszenia. Przede wszystkim, należy zidentyfikować ewentualne rozbieżności między deklarowanym metrażem a tym, co wynika z oficjalnych dokumentów (KW, akt notarialny, projekt). Weryfikacja faktycznego metrażu przed zakupem, np. poprzez samodzielny pomiar lub zlecenie inwentaryzacji, może ujawnić, że nieruchomość jest mniejsza, niż sugerowano. Zrozumienie, co dokładnie wchodzi w skład oferowanej powierzchni (np. czy piwnica jest liczona do powierzchni użytkowej, czy tylko jako pomieszczenie pomocnicze), pozwala na bardziej świadomą ocenę wartości. Takie rozbieżności lub niejasności mogą stanowić silny argument do negocjacji niższej ceny, co może przełożyć się na znaczące oszczędności.






